19+12+19m米人行天桥造型漂亮 - 【人行天桥】 - 道桥网-桥梁之家—打造桥梁行业最大、最专业的桥梁资料和技术交流基地!道桥之家网! - daoqiao.net
论坛
版块
喜欢
话题
应用
桥梁之家资料站
软件资料站
搜索
登录
注册
首页
>
桥梁图纸
>
【人行天桥】
>
19+12+19m米人行天桥造型漂亮
回复
« 返回列表
7244130
桥梁工程师
金币
47408枚
威望
1点
贡献值
18点
桥币
0个
RMB
0元
加关注
写私信
阅读:
8518
回复:
1
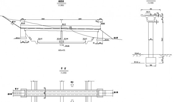
19+12+19m米人行天桥造型漂亮
楼主
#
更多
只看楼主
倒序阅读
发布于:2012-08-20 17:43
保存
19+12+19m米人行天桥造型漂亮
图片:未命名.jpg
图片:未命名1.jpg
附件名称/大小
下载次数
最后更新
K2+610天桥.rar
(3572KB)
36
2012-08-20 17:43
喜欢
0
最新喜欢:
回复
nanjingyu
桥梁正高
金币
36枚
威望
0点
贡献值
20点
桥币
0个
RMB
0元
加关注
写私信
1楼
#
发布于:2012-09-13 12:55
图纸很不全,无总体布置图等
回复
(0)
喜欢
(
0
)
发帖
回复
« 返回列表
普通帖
您需要登录后才可以回帖,
登录
或者
注册
返回顶部
关闭
最新喜欢